产品分类

Product categories

推荐新闻

News

2025-
12-
19
高柔性电线电缆火灾频发的原因有哪些?1、高柔性电线电缆的芯线的导体标称截面不符合要求。一般规定的标称界面都大于实际生产出来的电缆,而标称值偏...
2025-
12-
19
电源线的结构及作用东莞稳畅电子制品有限公司是一间专业生产美标电源线,CCC电源线,VDE电源线,日标电源线。电源线材质包含有PVC,TPE电...
2025-
12-
19
电动汽车对线束设计的要求1、高柔性电线电缆的芯线的导体标称截面不符合要求。一般规定的标称界面都大于实际生产出来的电缆,而标称值偏于标准的电缆...
2025-
12-
19
低烟无卤电线特性:(1)抗张强度比一般PVC电线大:一般PVC电线抗张强度大于1.05Kgf/mm2,而低烟无卤电线抗张强度大于1.2Kgf...
0769-8550 0878

业务咨询热线

4产品中心
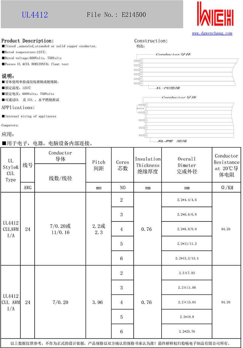
UL4412 XL-PE低烟无卤排线
UL4412 XL-PE低烟无卤排线
东莞市稳畅电子制品有限公司是一家专业的UL4412 XL-PE低烟无卤排线生产厂家,主营:UL4412 XL-PE低烟无卤排线!所有产品都是按照质量管理体系和环保管理体系实行严格控制管理.
 

UL4412 XL-PE低烟无卤排线

 详情说明
咨询联系方式
东莞市稳畅电子制品有限公司 版权所有 访问量: 百度统计】【 BMAP】【GMAP技术支持:东莞网站建设 | 备案号:粤ICP备15115360号 【后台管理】